
变压器是电力系统中的关键设备,它的正常运行是电力系统安全、可靠、稳定、经济运行的重要保证。电力变压器运行时,绕组周围存在着交变的磁场,因电磁感应的作用,高压绕组与低压绕组之间,低压绕组与铁心之间,铁心与外壳之间存在着寄生电容,带电绕组将通过寄生电容的耦合作用,使铁心对地产生悬浮电位,因铁心及其它金属构件与绕组的距离不相等,使各构件之间存在着电位差,当两点之间的电位差达到能够击穿其间的绝缘时,便产生火花断续放电,对变压器油和固体绝缘产生不良影响,故需要把铁心与外壳连接,使它与外壳等电位。若铁心或其他金属构件有两点或多点接地时,接地点就会形成闭合回路,造成环流,会引起变压器本体局部过热,导致油分解,进而导致绝缘性能下降,严重时,会使铁心硅钢片烧坏,造成主变重大事故,故主变铁心必须接地。否则铁心对地会产生悬浮电压或铁心多点接地而产生发热故障,严重威胁变压器以及电网的安全。通过对铁心接地电流的监测,能及时发现铁心多点接地等故障,防患于未然,把故障消灭在萌芽状态。
TRKXL-60W型变压器铁芯接地传感器是专门配套客户端“变压器铁心及夹件接地电流监测装置”,用于监测变压器铁心及夹件接地故障电流,可实现对铁心接地电流进行连续、在线监测,通过监测可以实时监控设备的绝缘状况,且能及时发现内部绝缘受潮或受损、铁心多点接地、箱体内异物、油箱油泥沉积等故障。更重要的是能为此类设备的状态检修提供可靠的数据依据。
选用起始导磁率高的材料做铁芯,采用了独特的深度负反馈技术和多层金属屏蔽措施,能够对铁芯全自动补偿,使铁芯工作在理想的零磁通状态。该传感器能够准确检测100μA—700mA的工频电流。相位变换误差不大于0.01°,具有良好温度特性和电磁场干扰能力,完全满足复杂的电站现场干扰下的设备取样的精确度。
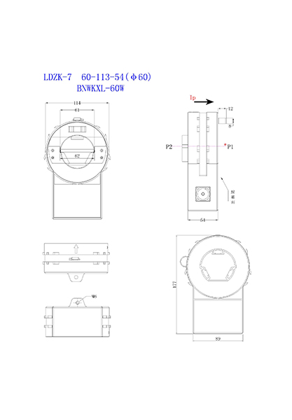
开合式结构,易于现场安装,操作方便。不需断开被测初级电缆即可快速、方便地安装或拆除
可准确测量μA级电流,测量精度高,线性度好
多重屏蔽,抗干扰能力强,能在复杂环境下工作
可选屏蔽线或航空插输出
特殊防水防锈蚀金属外壳,环氧树脂封灌,可在户外长期工作

| 电气 性能 参数 |
电气符号 | 性能参数 | 开合锁扣式 | |
|---|---|---|---|---|
| I P | 可测范围 | 1mA~10A | ||
| V OUT | 额定输出 | 0~7VRMS | ||
| X | 准确度@IPN | 1.0%±1mA(IP>10A@0.5%) | ||
| ε L | 线性度 | ≤0.5% | ||
| Uc | 供电电压 | ±12V DC | ||
| V Off | 失调电压 | 1mV | ||
| I C | 最大耗电 | 10mA | ||
| f | 工作频率 | 50~400 Hz | ||
| T A | 工作温度 | -40℃~+85℃ | ||
| T S | 储藏温度 | -40℃~+100℃ | ||
| 机械 结构 参数 |
外 壳 | 金属外壳 | 输出方式 | 屏蔽线/防水航插 |
| 铁芯材质 | 纳米晶/坡莫合金 | 封 灌 | 柔性硅胶&环氧树脂 | |
| 磁屏结构 | 碳钢/坡莫合金 | 施工方案 | 底座安装固定 | |
服务热线:400-086-3003
电话:0728-5353116 5353117
传真:0728-5353121
地址:湖北省天门市经济开发区创业大道8号